FHG系列谐波减速器柔轮为中空翻边形标准筒结构,整机结构紧凑,是针对高转矩的客户研发的新品。
“G”系列是公司追求高负载容量,高可靠性的产物,其转矩容量比LHT系列提升30%以上,使用寿命提高43%以上。
安装说明:
既可采用刚轮端固定,柔轮端输出的连接方式使用;也可采用柔轮端固定,刚轮端输出的连接方式使用。
产品特点:
1、扁平设计、大口径、中空轴
2、紧凑简洁的设计
3、无齿隙
4、输入输出同轴
5、优良的定位精度和旋转精度

| 型号 | 速比 | 输入2000r/min时 的额定转矩 | 起动停止时的 容许峰值转矩 | 平均负载转矩的 容许最大值 | 瞬间容许最大转矩 | 容许最高输入转速(脂润滑) | 容许平均输入转速(脂润滑) | 背隙 | 重量 | 设计寿命 | ||||
| Nm | kgfm | Nm | kgfm | Nm | kgfm | Nm | kgfm | r/min | r/min | Arc Sec | Kg | Hour | ||
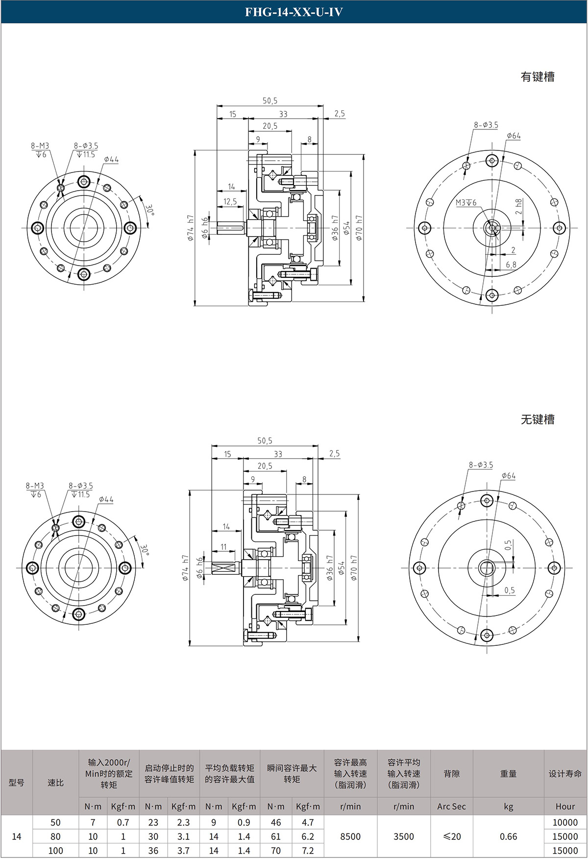
| 14 | 50 | 7 | 0.7 | 23 | 2.3 | 9 | 0.9 | 46 | 4.7 | 8500 | 3500 | ≤20 | FHG-I/II:0.40 FHG-III:0.7 FHG-IV:0.66 FHG-V:0.40 | 10000 |
| 80 | 10 | 1 | 30 | 3.1 | 14 | 1.4 | 61 | 6.2 | 15000 | |||||
| 100 | 10 | 1 | 36 | 3.7 | 14 | 1.4 | 70 | 7.2 | 15000 | |||||
| 120 | 10 | 1 | 36 | 3.7 | 14 | 1.4 | 70 | 7.2 | 15000 | |||||
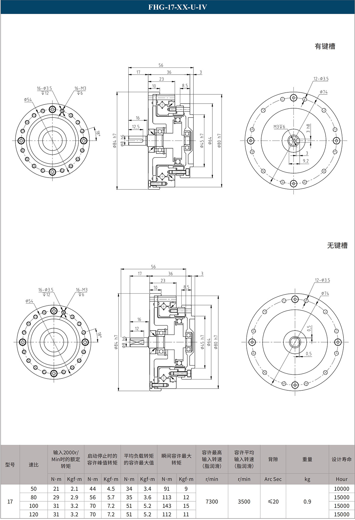
| 17 | 50 | 21 | 2.1 | 44 | 4.5 | 34 | 3.4 | 91 | 9 | 7300 | 3500 | ≤20 | FHG-I/II:0.54 FHG-III:0.99 FHG-IV:0.90 FHG-V:0.62 | 10000 |
| 80 | 29 | 2.9 | 56 | 5.7 | 35 | 3.6 | 113 | 12 | 15000 | |||||
| 100 | 31 | 3.2 | 70 | 7.2 | 51 | 5.2 | 143 | 15 | 15000 | |||||
| 120 | 31 | 3.2 | 70 | 7.2 | 51 | 5.2 | 112 | 11 | 15000 | |||||
| 20 | 50 | 33 | 3.3 | 73 | 7.4 | 44 | 4.5 | 127 | 13 | 6500 | 3500 | ≤20 | FHG-I/II:0.72 FHG-III:1.32 FHG-IV:1.29 FHG-V:0.82 | 10000 |
| 80 | 44 | 4.5 | 96 | 9.8 | 61 | 6.2 | 165 | 17 | 15000 | |||||
| 100 | 52 | 5.3 | 107 | 10.9 | 64 | 6.5 | 191 | 20 | 15000 | |||||
| 120 | 52 | 5.3 | 113 | 11.5 | 64 | 6.5 | 191 | 20 | 15000 | |||||
| 160 | 52 | 5.3 | 120 | 12.2 | 64 | 6.5 | 191 | 20 | 15000 | |||||
| 25 | 50 | 51 | 5.2 | 127 | 13 | 72 | 7.3 | 242 | 25 | 5600 | 3500 | ≤20 | FHG-I/II:1.22 FHG-III:2.02 FHG-IV:1.99 FHG-V:1.40 | 10000 |
| 80 | 82 | 8.4 | 178 | 18 | 113 | 12 | 332 | 34 | 15000 | |||||
| 100 | 87 | 8.9 | 204 | 21 | 140 | 14 | 369 | 38 | 15000 | |||||
| 120 | 87 | 8.9 | 217 | 22 | 140 | 14 | 395 | 40 | 15000 | |||||
| 32 | 50 | 99 | 10 | 281 | 29 | 140 | 14 | 497 | 51 | 4800 | 3500 | ≤20 | FHG-I/II:2.54 FHG-III:4.20 FHG-IV:4.00 FHG-V:2.70 | 10000 |
| 80 | 153 | 16 | 395 | 40 | 217 | 22 | 738 | 75 | 15000 | |||||
| 100 | 178 | 18 | 433 | 44 | 281 | 29 | 841 | 86 | 15000 | |||||
| 120 | 178 | 18 | 459 | 47 | 281 | 29 | 892 | 91 | 15000 | |||||
| 40 | 50 | 178 | 18 | 523 | 53 | 255 | 26 | 892 | 91 | 4000 | 3000 | ≤20 | FHG-I/II:4.40 FHG-III:7.20 FHG-IV:7.00 FHG-V:4.06 | 10000 |
| 80 | 268 | 27 | 675 | 69 | 369 | 38 | 1270 | 130 | 15000 | |||||
| 100 | 345 | 35 | 738 | 75 | 484 | 49 | 1400 | 143 | 15000 | |||||
| 120 | 382 | 39 | 802 | 82 | 586 | 60 | 1530 | 156 | 15000 | |||||
FHG-I/II系列谐波减速器:
● 波发生器采用一体式结构,整机结构紧凑
● 既可采用刚轮端固定,柔轮端输出的连接方式使用;也可采用柔轮端固定,刚轮端输出的连接方式使用
● 电机直连,安装便利
FHG-III系列谐波减速器:
● 波发生器凸轮中部有大口径中空轴孔
● 减速器内部设计有支撑轴承,全密封结构,安装简便
FHG-IV系列谐波减速器:
● 波发生器凸轮自带输入轴,可对应多种输入形态
● 减速器内部设计有支撑轴承,全密封结构,安装简便
FHG-V系列谐波减速器:
在FHG-III系列的基础上,让客户拥有更大的设计自由度,在保持原有性能参数不变的前提下,降低了减速器自身的重量和厚度
A:
可以。不管是尺寸, 材质, 还是应用场景,我司支持非标全方案定制, 工程师快速响应并提供解决方案和定制化图纸。
A:
我司采用超高强度中低碳合金刚材质, 高刚性满滚子十字交叉轴承,可用于直接支撑外部负载,具有高机能性、高速化、高转矩等优点。
A:
有。我司提供免费电子版样册和纸质版样册。如有需要, 请拨打全国服务热线: 400-969-0600
A:
我司选用减速器专用油脂, 具有良好的低温启动性能和抗氧化、抗级压能力, 抑制噪音, 良好的油脂流动性, 可提高减速器寿命内的连续工作能力。
A:
可以。客户可以选择购买标品或者非标样品进行测试, 我司提供全程技术指导; 体量客户或者特别项目, 我司均可免费提供样品测试。
A:
我司现货下单后24小时内可发货; 非标定制产品, 双方确认图纸后3-5周可交付发货。
A:
是的。我司拥有30,000平方米标准厂房,在浙江、苏州、南京等地设立多个产品研发中心, 研发工程师团队70人以上, 并获得国家高新技术企业、国家级专精特新“小巨人”企业、省级高新技术企业研发中心等荣誉。
A:
1年质保, 终身维护。质保期内产品如出现故障或质量问题, 我司均提供免费更换; 如有需要, 也可提供技术工程师现场服务。
A:
可以。来福拥有成熟的解决方案团队和经验,接受客户对关节模组在功率、扭矩、减速比、尺寸等不同方面上的定制要求, 为其提供高效专业的定制解决方案。
A:
1、模组长时间过载使用,建议选择更大规格的模组
2、模组故障:电机磁钢脱落后摩擦生热;电机绕组损坏导致电机过热;更换模组
3、减速机运行有异常;更换模组
LH系列谐波减速器安装视频








请把您的需求留言,我们为您提供专业的解决方案